南宁新茶嫩茶wx600

您們好,接待客人惠臨樂清市春虹電商非常企業
樂清市春虹光電不限企業

泉源廠家, 撐持定制,知心折務,雙贏將來

天下論壇商談電語: 0577-61316969
接洽咱們
樂清市春虹電子無限公司
征詢熱線:18968817571
公司德律風:0577-61316969
公司地點:浙江省樂清市虹橋鎮模具中間二區D棟

帶燈輕觸開關選春虹

皇途洽談德律風: 0577-61316969

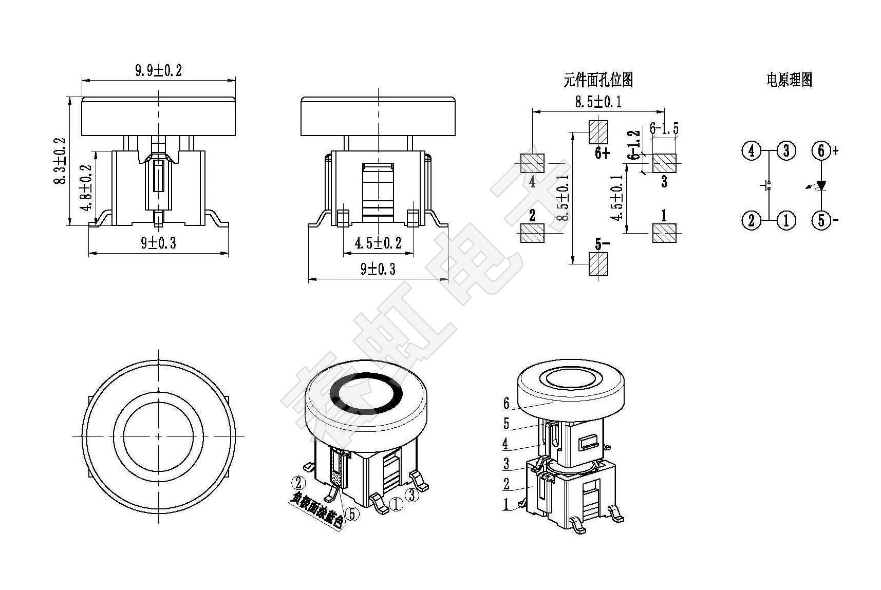
型號:KFCA0650-8.3H

天氣查詢官階: -25°C至75°C30%值: 30V DC,30mA干仗電阻器: ≤0.05Ω耐電壓值: 250V AC絕緣帶電阻功率: ≥100MΩ政策措施力: 260gf±50gf/160gf±50gf質保期: 10W times鹽霧科學實驗: 12±1 hours燈色:紅/藍/綠/白/紅藍白/紅綠等遮陽帽工藝技術幾大類:本質/黑漆/銀漆


產物概況

0650-2.png

創春虹的品牌、創先爭優出眾隊伍、出眾德育課、出眾企業的
0577-61316969